Analog Devices Inc. EV-ADF5355SD1Z Testplatine
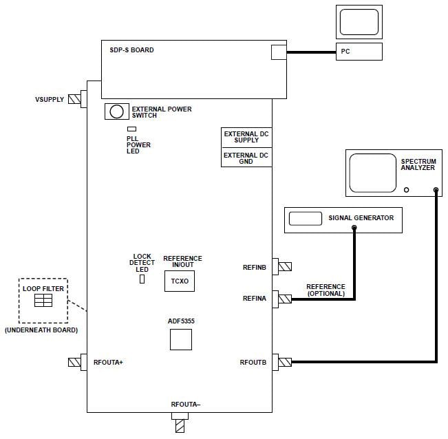
DieAnalog Devices EV-ADF5355SD1Z Testplatine hilft Entwicklern bei der Bewertung der Leistung des ADF5355 Frequenzsynthesizers. Die EV-ADF5355SD1Z Testplatine umfasst den ADF5355 Frequenzsynthesizer mit integriertem VCO, eine differentielle 122,88MHz Referenz TCXO, einen Schleifenfilter, eine USB-Schnittstelle, Stromversorgungsanschlüsse und Subminiatur-Steckverbinder Version A (SMA). Für den Anschluss der Platine an einen PC-USB-Port ist ein USB-Kabel ist im Lieferumfang enthalten. Die EV-ADF5355SD1Z Testplatine arbeitet in Verbindung mit der . Die EV-ADF5355SD1Z verbindet sich mit der SDP-Controllerplatine, die über USB 2.0 die Verbindung mit dem PC herstellt. Die Entwicklungssoftware kommuniziert über die SDP-Controllerplatine. Die SDP-Controllerplatine leitet dann die Informationen an die Testplatine weiter.Merkmale
- Self-contained board includes:
- ADF5355 frequency synthesizer with integrated voltage-controlled oscillator (VCO)
- Differential 122.88MHz temperature-controlled crystal oscillator (TCXO)
- Loop filter (5kHz)
- USB interface
- Voltage regulators
- Windows-based software allows control of synthesizer functions from a PC
- Externally powered by 6V
Lieferumfang Kit
- EV-ADF5355SD1Z
- USB cable
Equipment Needed
- Windows-based PC with USB port for evaluation software
- System demonstration platform, serial only (SDP-S) EVAL-SDP-CS1Z controller board Power supply (6V)
- Spectrum analyzer 50Ω terminators
Evaluation Board Setup
Veröffentlichungsdatum: 2016-08-30
| Aktualisiert: 2022-03-11
