Analog Devices Inc. LTC7805 DC3138A-Demonstrationsboard
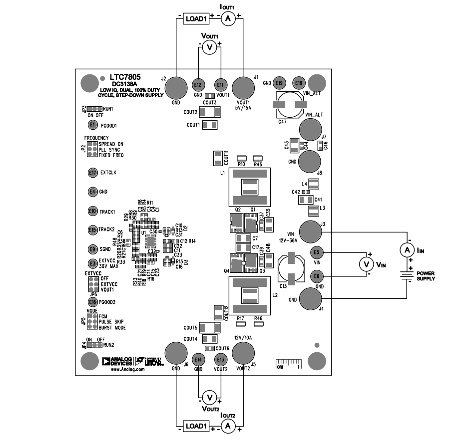
Das Analog Devices Inc. LTC7805 DC3138A-Demonstrationsboard demonstriert den LTC7805 Dual-DC/DC-Wandler, der über einen Eingangsspannungsbereich von 12 V bis 36 V betrieben wird. Der LTC7805 synchrone Abwärtsregler ist ein leistungsstarker synchroner Dual-Abwärts-DC/DC-Schaltregler-Controller, der alle n-Kanal-Leistungs-MOSFET-Stufen ansteuert. Das DC3138A-Demonstrationsboard verfügt über zwei Ausgänge von 5 V bei 15 A und 12 V bei 10 A und verfügt über einen bestückten LTC7805. Die zwei Kanäle können für einen höheren Ausgangsstrom parallelgeschaltet werden.Merkmale
- FREQUENZ-Jumper für Frequenzspreizung oder externen Taktgeber
- EXTVCC-Jumper zur Verwendung von VOUT2, EXTVCC oder anderen abgeleiteten VCC
- PGOOD-Signale für jeden Ausgang
- Modus-Jumper, der den Betrieb des Wandlers im FCM, Pulse-Skipping- oder Bust Mode® ermöglicht
Weitere Ressourcen
Vorder- und Rückseitenansicht
Korrekte Einrichtung der Ausrüstung
Veröffentlichungsdatum: 2021-10-04
| Aktualisiert: 2022-03-11
