Analog Devices Inc. ADuM4221/-1/-2 Halbbrücken-Gate-Treiber
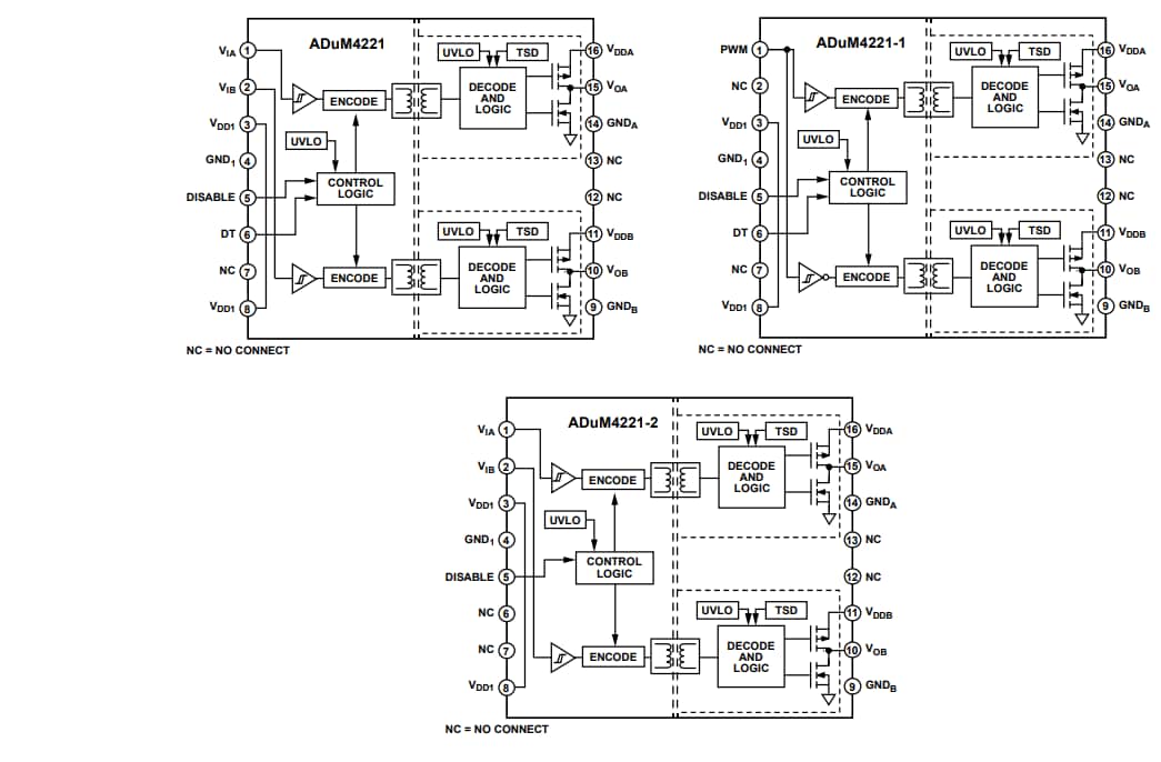
Die ADuM4221/-1/-2 von Analog Devices sind isolierte 4 A-Halbbrücken-Gate-Treiber, die die iCoupler® -Technologie verwenden, um unabhängige und isolierte High-Side- und Low-Side-Ausgänge bereitzustellen. Der ADuM4221/-1/-2 bietet 5700 Vrms isolation in einem 16-Pin SOIC _ IC mit erhöhter Kriechstrecke. Durch die Kombination von Hochgeschwindigkeits-CMOS- und monolithischer Transformator-Technologie bieten diese Isolationskomponenten hervorragende Leistungsmerkmale, die den Alternativen überlegen sind, wie z. B. die Kombination von Impulstransformatoren und gate-Treibern. Diese Bauteile arbeiten mit einer Logik-Eingangsspannung von 2,5 V bis 6,5 V und bieten Kompatibilität mit Systemen mit niedrigeren Spannungen. Im Vergleich zu gate-Treibern, die Hochspannungspegel-Umsetzungsmethoden verwenden, bieten die ADuM4221/-1/-2 den Vorteil einer echten galvanischen Trennung zwischen dem Eingang und jedem Ausgang.Die ADuM4221 und ADuM4221-1 von Analog Devices Inc. verfügen jeweils über einen integrierten Überlapp -Schutz und ermöglichen eine Anpassung der Totzeit. Ein einzelner Widerstand zwischen dem Totzeit-Pin (DT) und dem GND1-Pin legt die Totzeit auf der Sekundärseite zwischen den high-Side- und low-side-Ausgängen fest.
Eine interne thermische Abschaltung (TSD) setzt die Ausgänge niedrig, wenn die interne Temperatur auf dem ADuM4221/-1/-2 die TSD-Temperatur übersteigt. Dadurch bieten diese Bauteile eine zuverlässige Steuerung der Schalteigenschaften der isolierten Gate-Bipolartransistor- (IGBT) oder Metalloxid-Halbleiter-Feldeffekt-Transistor- (MOSFET) -Konfigurationen über einen großen Bereich von positiven oder negativen Schaltspannungen.
Merkmale
- 4 A Spitzenstrom (< 2Ω RDSON _ x)
- 2,5 V bis 6,5 V Eingangsversorgungsspannung
- 4,5 V bis 35,0 V Ausgangsversorgungsspannung
- Positiver going-Schwellenwert: UVLO VDD1 von max. 2,5 V
- Mehrere UVLO-Optionen für VDDA und VDDB positiver going Schwellenwert
- Klasse A: 4,5 V max.
- Klasse B: 7,5 V Max.
- Klasse C: 11,6 V Max.
- Präzises Zeitverhalten
- 44 nss maximale Ausbreitungsverzögerung
- Einstellbare Totzeit und dualer Eingang (ADuM4221)
- Einstellbare Totzeit und Einzeleingang (ADuM4221-1)
- Keine Totzeit-Steuerung und dualer Eingang (ADuM4221-2)
- CMOS-Eingangslogikpegel
- Hohe flüchtige Gleichtaktsicherheit von 150kV/µs
- Hoher Sperrschichttemperaturbetrieb von 125 °C
- Standardmäßig niedriger Ausgang
- Sicherheitszertifizierungen und behördliche Genehmigungen (ausstehend)
- UL-Zulassung gemäß UL 1577
- 5700 Vrms für eine Dauer von 1 minute
- CSA Komponentenannahmehinweis 5 A
- VDE-Konformitätszertifikat
- DIN V VDE V 0884-11 ist VIORM = 849 V Spitze
- UL-Zulassung gemäß UL 1577
- 16-Pin SOIC _ IC mit erhöhter Kriechstrecke
Applikationen
- Schaltnetzteile
- Isolierte IGBT-/MOSFET-Gate-Treiber
- Industrie-Wechselrichter
- Galliumnitrid (GaN) -/Siliziumkarbid (SIC) -kompatibel
Videos
Blockdiagramme
