Analog Devices Inc. ADuM3190/4190 Isolierter Fehlerverstärker
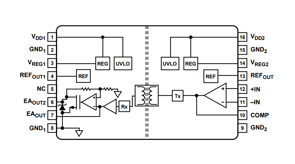
Der ADuM3190/4190 isolierte Fehlerverstärker mit hoher Stabilität von Analog Devices basiert auf der iCoupler® Technik von ADI und ist ideal für Netzteile mit linearer Rückkopplung mit primärseitigen Controllern und ermöglicht im Vergleich zu häufig verwendeten Optokoppler- und Shunt-Regler-Lösungen, Verbesserungen der Einschwingzeit, Leistungsdichte und Stabilität. Im Unterschied zu Optokoppler-basierten Lösungen, die ein unsicheres Gleichstrom-Übertragungsverhältnis über ihre gesamte Lebensdauer bei hohen Temperaturen haben, verändert sich das Übertragungsverhältnis des ADuM3190/4190 über seine gesamte Lebensdauer nicht und ist über einen weiten Temperaturbereich von -40°C bis 125°C stabil. Mit dem integrierten Breitband-Operationsverstärker können die verschiedensten gängigen Techniken zur Kompensation der Netzteil-Regelschleife implementiert werden. Der ADuM3190/4190 ist schnell genug, um einer Rückkopplungsschleife zur erlauben, auf schnelle transiente Bedingungen und Überstrombedingungen zu reagieren. Darüber hinaus ist eine hochpräzise 1,225V-Referenz für den Vergleich mit dem Ausgangs-Sollwert enthalten.The ADI ADuM3190/4190 includes a wide band operational amplifier that can be used to set up a variety of commonly used power supply loop compensation techniques. ADuM3190/4190 is fast enough to allow a feedback loop to react to fast transient conditions and over current conditions. The device also includes a high accuracy 1.225V reference to compare with the supply output set point.
Merkmale
- Stable over time and temperature
- 0.5% initial accuracy
- 1% accuracy over the full temperature range
- Compatible with Type II or Type III compensation networks
- 1.225V Reference voltage
- Compatible with DOSA
- <7mA Total low power operation
- Wide voltage supply range
- VDD1 is 3V to 20V
- VDD2 is 3V to 20V
- 400kHz Bandwidth
- 2.5kVrms Isolation voltage
Applikationen
- Linear power supplies
- Inverters
- Uninterruptible Power Supply
- DOSA-compatible modules
- Voltage monitors
Block Diagram
Additional Resources
Using the ADuM4136 Isolated Gate Driver and LT3999 DC-to-DC Converter to Drive a 1200V SiC Power Module
Learn More
Veröffentlichungsdatum: 2013-05-30
| Aktualisiert: 2022-03-11
