Analog Devices Inc. ADRV9029 Quad-HF-Transceiver
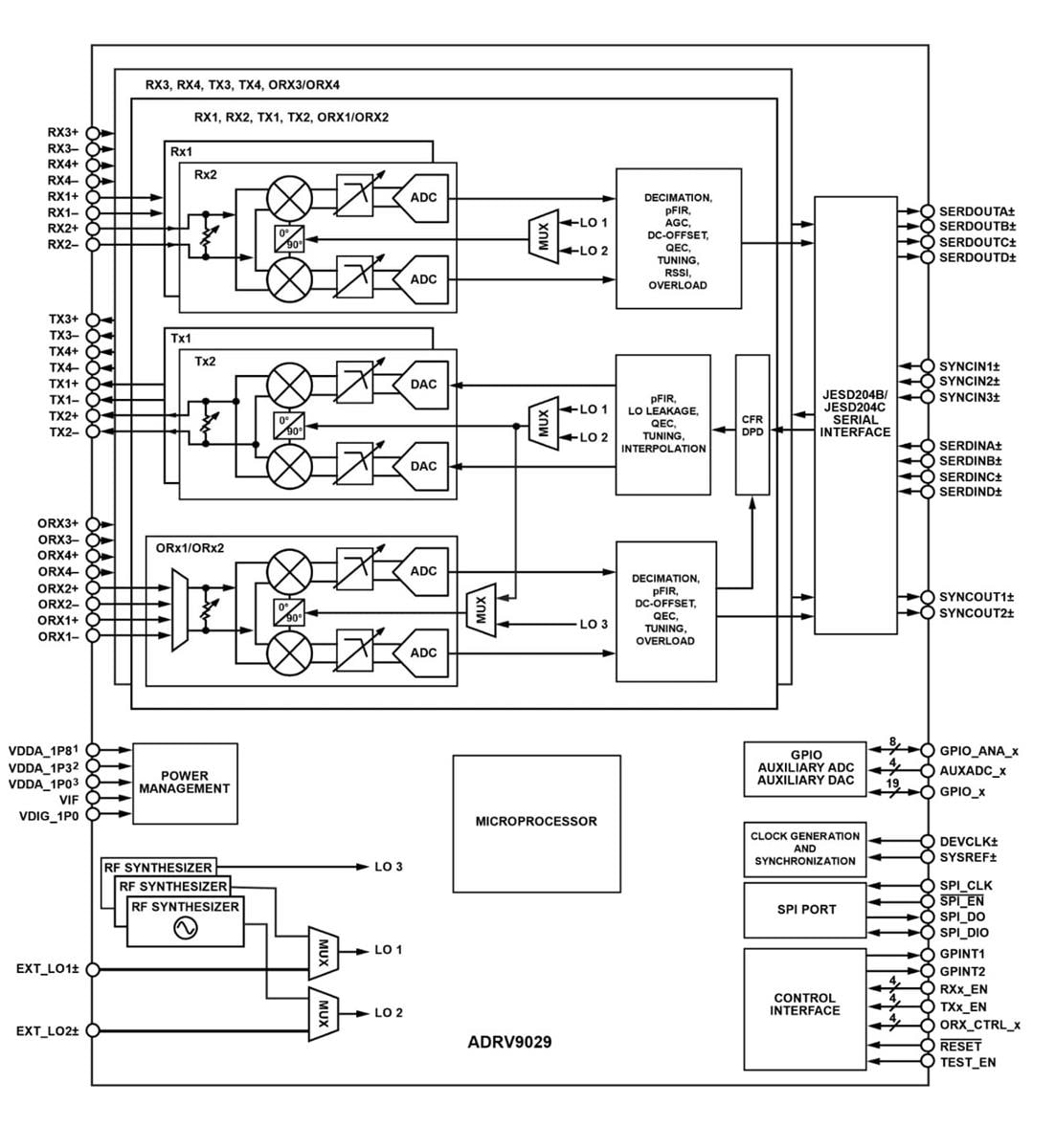
Die ADRV9029 Quad-HF-Transceiver von Analog Devices Inc. verfügen über vier Differential-Sender, vier Differential-Empfänger, integrierte Synthesizer und digitale Signalverarbeitungsfunktionen Die Sender verfügen über dedizierte Beobachtungs-Empfänger Eingänge zur Überwachung der einzelnen Senderkanäle und verwenden einen direkten Umwandlungsmodulator für einen rauscharmen Betrieb mit geringem Stromverbrauch. Darüber hinaus enthalten diese Bauteile zwei Zeit geteilte Beobachtungs-Pfadempfänger mit einer großen Bandbreite mit jeweils zwei Eingängen zur Überwachung der Senderausgänge. Das Empfänger-Subsystem besteht aus vier unabhängigen, Breitband- Direktwandlungsempfängern mit großem Dynamikbereich. Das komplette Transceiver-Subsystem umfasst automatische und manuelle Dämpfungsregelung, DC-Offset-Korrektur, Quadratur-Fehlerkorrektur (QEC) und digitale Filterung.Die ADRV9029 Transceiver enthalten fünf vollständig integrierte Phasenregelschleifen (PLLs), um ein hohes Maß an HF-Leistung zu erzielen. Diese Transceiver enthalten eine vollständig integrierte und stromsparende digitale Vorverzerrungsanpassungs-Engine für den Einsatz in der Leistungsverstärker-Linearisierung. Die ADRV9029 Transceiver werden direkt von Reglern mit 1,0 V, 1,3 V und 1,8 V betrieben und über einen standardmäßigen seriellen Peripherieschnittstellen-Anschluss gesteuert. Zu den typischen Applikationen gehören massive 3G-/4G-/5G-TDD- und FDD-Massive-MIMO-, Makro- und Kleinzellen-Basisstationen.
Merkmale
- 4 Differentialsender
- 4 Differentialempfänger
- 2 Überwachungsempfänger mit jeweils 2 Eingängen
- Frequenzbereich: 75 MHz bis 6.000 MHz
- Vollständig integrierte DPD-Anpassungs-Engine für die Linearisierung von Leistungsverstärkern
- Scheitelfaktor-Reduzierungs-Engine
- Maximale Bandbreite des Empfängers: 200 MHz
- 200 MHz maximale Sender-Großsignal-Bandbreite
- Maximale Synthesen-Bandbreite beim Sender: 450 MHz
- Maximale Bandbreite des Überwachungsempfängers: 450 MHz
- Vollständig integrierter unabhängiger Fractional-N-Funkfrequenz-Synthesizer
- Vollständig integrierter Takt-Synthesizer
- Multi-Chip-Phasensynchronisation für alle lokalen Oszillatoren und Basisband-Taktgeber
- Unterstützung für TDD- und FDD-Applikationen
- JESD204B/JESD204C 24,33-GBit/s-Digitalschnittstelle
Artikel
Digitale Vorverzerrung für die HF-Kommunikation: Von Gleichungen zur Implementierung
Dieser Artikel erläutert die Grundlagen der digitalen Vorverzerrung (DPD) und warum sie in modernen Kommunikationssystemen erforderlich ist, und untersucht, wie das mathematische Modell Signalverzerrungen in der realen Welt erfasst.
5G-Technologie-Bauteile für eine drahtlose O-RAN-Lösung
Entdecken Sie eine Plattform, welche die Anforderungen an HF-Eigenschaften, Kosten- und Leistungsbudgets erfüllt, die für die Bereitstellung einer kostengünstigen, leistungsstarken O-RAN-Plattform erforderlich sind.
Weitere Ressourcen
Blockdiagramm
