Analog Devices Inc. ADRF5547-EVLEZ Empfänger-Frontend-Evaluierungsboard
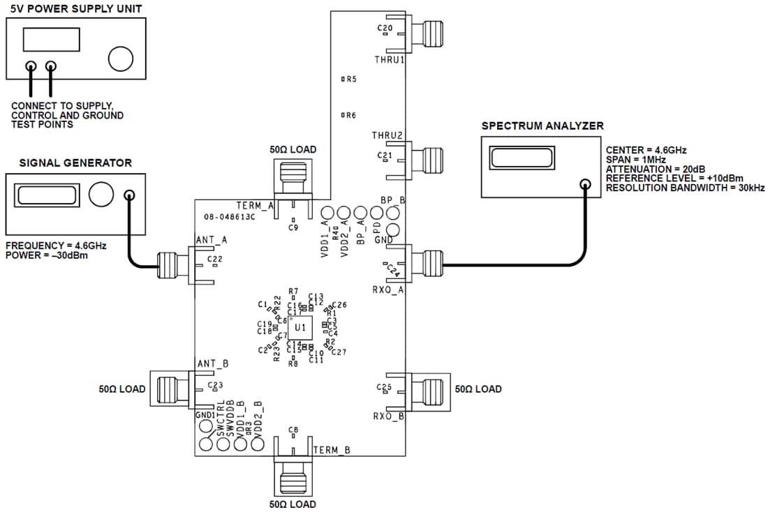
Das Analog Devices ADRF5547-EVALZ Empfänger-Frontend-Evaluierungsboard ist zur Evaluierung des ADRF5547 ausgelegt. Das ADRF5547 ist ein integriertes Zweikanal-Hochfrequenz-Frontend (HF), das sich ideal für drahtlose Zeitduplex-Infrastrukturapplikationen (TDD) eignet. Das ADRF5547 ist ein Multichip-Bauteil, das aus einem Hochleistungsschalter und einem rauscharmen Zweiphasen-Verstärker auf jedem Kanal besteht. Die Evaluierungsboard ist einfach an Testgeräte anzuschließen, was die Evaluierung des ADRF5547 erleichtert.Merkmale
- Vollständig bestücktes Evaluierungsboard für den ADRF5547
- Einfache Verbindung zu Testausrüstungen
- Durchlassleitung für Kalibrierung
Erforderliche Ausrüstung
- DC-Stromversorgung
- Signalgenerator
- Spektrumanalysator-Netzwerkanalysator
Testeinrichtung
Veröffentlichungsdatum: 2019-10-16
| Aktualisiert: 2024-03-04
