Analog Devices Inc. ADRF5534 HF-Frontend-Multichip-Module
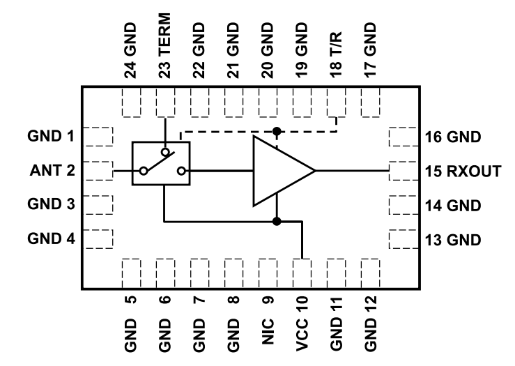
Analog Devices Inc. ADRF5534 HF-Frontend-Multichip-Module sind für TDD-Applikationen Time Division Duplex (TDD) ausgelegt und werden in einem Frequenzbereich von 3,1 GHz bis 4,2 GHz betrieben. Diese Multichip-Module sind mit einem LNA und einem Hochleistungs-Silizium-SPDT-Siliziumschalter konfiguriert. Der LNA bietet einen niedrigen Rauschfaktor (NF) von 1,3 dB und einen hohen Gain von 35,5 dB mit einem Eingangs-Intercept-Punkt der dritten Ordnung (IIP3) von −4 dBm im Empfangsbetrieb. Der Schalter bietet eine niedrige Einfügungsdämpfung von 0,8 dB und verarbeitet eine Long-Term-Evolution (LTE)-Leistung von 37 dBm für einen Betrieb über die gesamte Lebensdauer im Sendebetrieb. Die ADRF5534 HF-Frontend-Multichip-Module eignen sich hervorragend für die Drahtlos-Infrastruktur, TDD-basierte Kommunikationssysteme, TDD-Massiv-Multiple-Input-Multiple-Output (MIMO) Anlagen, sowie aktive Antennensysteme.Merkmale
- Integriertes HF-Frontend:
- LNA und Hochleistungs-Silizium-SPDT-Schalter
- On-Chip-Vorspannung und Anpassung
- Einfachversorgungsbetrieb
- Gain von 35,5 dB bei 3,6 GHz (typisch)
- Gain-Flachheit von1,5 dB bei 25 °C über eine Bandbreite von 400 MHz
- Niedriger Rauschfaktor von 1,3 dB bei 3,6 GHz (typisch)
- Niedrige Einfügungsdämpfung von 0,8 dB bei 3,6 GHz (typisch)
- Positive Logiksteuerung
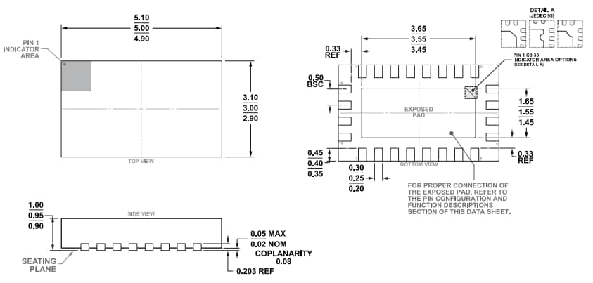
- 24-Pin-LFCSP-Gehäuse von 5 mm x 3 mm
- Hohe Belastbarkeit bei TCASE = 105 °C
- Gesamte Lebensdauer
- LTE-Durchschnittsleistung von 37 dBm (8 dB PAR)
- Einzelereignis (Betrieb von <10 Sek.)
- LTE-Durchschnittsleistung von 39 dBm (8 dB PAR)
- Gesamte Lebensdauer
- Hoher Eingangs-IP3 von -4 dBm
- Niedriger Versorgungsstrom:
- Empfangsbetrieb von 120 mA bei 120 mA (typisch)
- Sendebetrieb von 15 mA bei 5 V (typisch)
Applikationen
- Drahtlose Infrastruktur
- TDD Massive-Multiple-Input-Multiple Output (MIMO) und aktive Antennensysteme
- TDD-basierte Kommunikationssysteme
Blockdiagramm
Abmessungen
Veröffentlichungsdatum: 2023-04-27
| Aktualisiert: 2023-05-09
