Analog Devices Inc. ADPD6000 Multimodales Sensor-Frontend
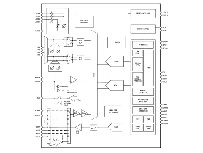
Das ADPD6000 multimodale Sensor-Frontend von Analog Devices Inc. ist hochintegriert und für die Messung verschiedener wichtiger Signale ausgelegt. Der optische AFE-Kanal ist als optischer Transceiver konzipiert, der bis zu vier Leuchtdioden (LEDs) anregt und das Rücksignal an vier separaten Stromeingängen misst. Die Signalkette unterdrückt Signalverschiebungen und -verfälschungen durch asynchrone modulierte Interferenzen, die typischerweise vom Umgebungslicht herrühren, wodurch optische Filter oder extern gesteuerte Gleichstromunterdrückungsschaltungen überflüssig werden.Die Erfassung von EKG-Signalen ist so konzipiert, dass sie auch bei Vorhandensein verschiedener Störfaktoren rauscharme und diagnostische Messungen ermöglicht. Die EKG-Signalkette verfügt über mehrere ergänzende Funktionen zur Unterstützung von EKG-Messungen, z. B. eine gesteuerte Referenz zur Gleichtaktunterdrückung und eine Ableitungserkennung zur Erkennung einer abgefallenen Elektrode.
Die Signalkette der Körperimpedanzanalyse (BIA) ist für die Körperimpedanzmessung mit einem konfigurierbaren Anregungs- und Messpfad konzipiert. Ein 12-Bit-Digital-Analog-Wandler (DAC) wird im Erregungspfad verwendet, um die Sinuswelle und die hochpräzise Messung zu erzeugen, wobei konfigurierbare Filter zur Messung der Körperreaktion auf den Stimulus verwendet werden.
Die Datenausgabe und Funktionskonfiguration erfolgt über eine serielle Schnittstelle (SPI) des ADPD6000. Die Steuerschaltung umfasst flexible LED-Signalgebung und synchrone Erkennung, digitale Filter, digitale Wellengeneratoren und konfigurierbare Filter.
Der ADPD6000 ist in einem 2,6 mm × 2,6 mm großen WLCSP-Gehäuse (Wafer Level Chip Scale Package) mit 36 Kugeln und 0,4 mm Abstand untergebracht.
Merkmale
- Optischer Kanal
- 4 Eingangskanäle mit mehreren Betriebsmodi für verschiedene Sensormessungen
- Zweikanal-Verarbeitung mit simultaner Abtastung
- 12 programmierbare Zeitfenster für synchronisierte Sensormessungen
- Flexibles Eingangsmultiplexing zur Unterstützung von Single-Ended-Sensormessungen
- 4 LED-Treiber, von denen 2 gleichzeitig angesteuert werden können
- Flexible Abtastrate von 0,004 Hz bis 9 kHz durch interne Oszillatoren
- 117 dB (mit Off-Chip-Filterung) SNR der Übertragungs- und Empfangssignalkette
- 78 dB bis zu 100 Hz AC Umgebungslichtunterdrückung
- LED-Spitzenantriebsstrom insgesamt: 400 mA
- Individueller Umgebungslichtunterdrückungs-DAC am TIA-Eingang mit 9-Bit-Steuerung von bis zu 300 μA
- Individueller LED-Gleichstromunterdrückungs-DAC am TIA-Eingang mit 7-Bit-Steuerung bis zu 190 μA
- EKG-Kanal
- RTI-Rauschen bei Diagnose filter-Bandbreite (150 Hz) : 0,75 μVrms
- 3 GΩ Hohe Eingangsimpedanz
- Unterstützt bis zu 1,2 V des DC-Differenzeingangsbereichs
- Gleichtaktunterdrückungsverhältnis: 116 dB
- Zwei-Elektroden- und Drei-Elektroden-Konfigurationen
- AC-Ableitungserkennung und DC-Ableitungserkennung
- BIA-Kanal
- Erregungspfad mit geringem Stromverbrauch und hoher Genauigkeit
- Konfigurierbare Ausgangsfrequenz bis zu 250 kHz
- Sinuswellenanregung mit einem 12-Bit-DAC
- Hohe Genauigkeit mit großer unsymmetrischer Kontaktimpedanz
- Konfigurierbare Empfangsfilter mit rauscharmem Design
- Engine zur Messung komplexer Impedanzen
- Unterstützt sowohl externe als auch interne Kalibrierung
- Unterstützt SPI-Kommunikation
- 640-Byte-FIFO
Applikationen
- Am Körper tragbare Gesundheits- und Fitnessmonitore: Herzfrequenz, Herzfrequenzvariabilität, SpO2, Körperimpedanzanalyse, Flüssigkeitszufuhr, nicht-invasiver Blutdruck ohne Manschette
- Patientenüberwachung zu Hause
- Industrielle Überwachung: Partikel- und Aerosol-, Gas- und Leitfähigkeitsdetektion
Blockdiagramm
