Analog Devices Inc. ADPD188BI Integrierte optische Module
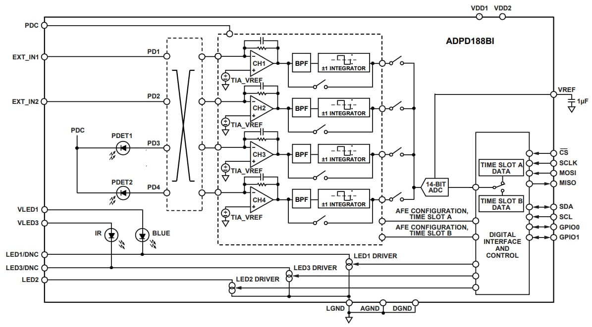
Analog Devices Inc. ADPD188BI Integrierte optische Module sind vollständige fotometrische Systeme für die Rauchmeldung mit optischer Doppelwellenlängen-Technologie. Die Module enthalten ein fotometrisches Frontend mit hohem Wirkungsgrad, zwei lichtemittierende Dioden (LEDs) und zwei Fotodioden (PDs). Die Module sind in einem benutzerdefinierten Gehäuse untergebracht, um zu verhindern, dass Licht von der LED zur Fotodiode ohne Eintritt in die Rauchmeldekammer eintritt.Das Frontend des Applikations-spezifischen integrierten Schaltkreises (ASIC) besteht aus einem Steuerblock, einem 14-Bit-Analog-Digital-Wandler (ADC) mit einem 20-Bit-Aufwärts-Akkumulator und drei flexiblen, unabhängig konfigurierbaren LED-Treibern. Die Steuerschaltung enthält eine flexible LED-Signalisierung und eine Synchron-Erfassung. Das Analog-Frontend (AFE) verfügt über eine erstklassige Unterdrückung des Signal-Offsets und Korruption aufgrund modulierter Störungen, die häufig durch Umgebungslicht verursacht werden. Die Datenausgabe und die Funktionskonfiguration erfolgt über eine 1,8V-I2C-Schnittstelle oder über den Anschluss der seriellen Peripherieschnittstelle (SPI).
Merkmale
- Modul mit einer Größe von 3,8 × 5,0 × 0,9 mm mit integrierten optischen Komponenten
- 1 blaue LED, 1 IR-LED und 2 Fotodioden
- 2 externe Eingänge für weitere Sensoren (zum Beispiel, CO und Temperatur)
- 20-Bit-Burst-Akkumulator ermöglicht 20 Bits pro Abtastperiode
- Drei LED-Treiber von 370 mA
- On-Board-Abtastung-zu-Abtastung-Akkumulator, wodurch bis zu 27 Bits pro Datenlesung möglich sind
- Optimierte SNR für Signal-begrenzte Fälle
- I2C- oder SPI-Kommunikationen
Videos
Blockdiagramm
Technische Artikel
- Reducing the False Alarm Rate - How Smoke Alarms Can Pass the Hamburger Nuisance Alarm Test
The newly introduced hamburger nuisance test is very hard to pass because the smoke particles from a burnt hamburger patty do not differ that much from normal smoke. Discover why the integrated optical module for smoke detection is a turning point.
Weitere Ressourcen
EVAL-ADPD188BI-ALGO - UL/EN Algorithms Software
EVAL-ADPD188BI-DATA - UL/EN Data Set
