Analog Devices Inc. ADMT4000 Echter Power-On Multi-Turn Positionssensor
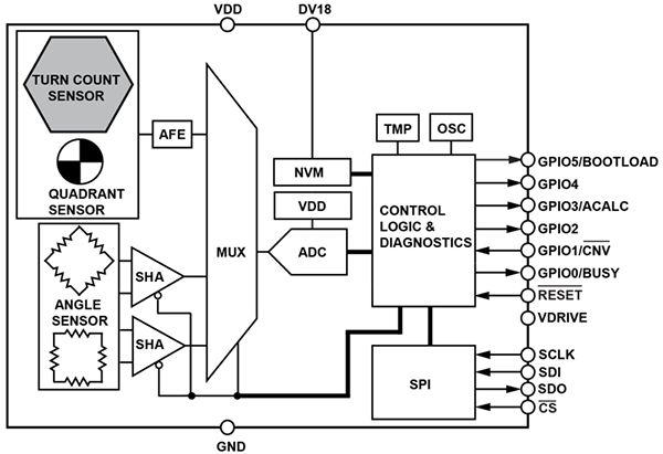
Der ADMT4000 True Power-On Multi-Turn Positionssensor von Analog Devices ist ein magnetischer Umdrehungszähl-Sensor, der die Anzahl der Rotationen eines magnetischen Systems aufzeichnen kann, selbst wenn das Gerät ausgeschaltet ist. Beim Einschalten kann das Gerät abgefragt werden, um die absolute Position des Systems über SPI zu melden. Der ADMT4000 zählt bis zu 46 Umdrehungen eines externen Magnetfeldes und erhöht dabei die absolute Position in Richtung des Uhrzeigersinns. Der True Power-On Multi-Turn Positionssensor ADMT4000 von Analog Devices umfasst einen GMR-Drehungszählsensor (Giant Magneto Widerstand) zum Zählen der Anzahl der Systemrotationen, einen GMR-Quadranten-Erkennungssensor und einen AMR-Winkelsensor (Anisotrope Magnetowiderstand). Der AMR-Winkel-Sensor verwendet einen GMR-Quadranten-Sensor, um die absolute Position des Systems innerhalb von 360° zu erkennen und zu bestimmen. Durch die Kombination des GMR-Turncount-Sensors mit dem AMR-Winkelsensor und -Ausgang kann das Gerät das System mit hoher Winkelnauigkeit positionieren.Merkmale
- Echter Einschalt-Multiturn-Zähler
- 46-turn Magnetischer Sensor
- Positive Zählung im Uhrzeigersinn ab magnetischem Reset
- >16k° digitaler Ausgang
- ±0,25 ° Genauigkeit
- 100kSPS Aktualisierungsrate der Messung
- 16mT bis 31mT Arbeitsbereich
- Interner Temperatursensor
- 3,3 V IC-Versorgung
- 1,8 V bis 5 V SPI-Schnittstelle
- 24-Pin TSSOP Gehäuse
- Sperrschichttemperaturbereich von -40 °C bis +150 °C
Applikationen
- Erkennung und Speicherung der Umdrehungsanzahl ohne Stromversorgung
- Berührungslose absolute Positionsmessung
- Steuerung und Positionierung von bürstenlosen DC-Motoren
- Steuerung und Positionierung des Aktuators
Videos
Blockdiagramm
Evaluierungsboard
Ressourcen
Veröffentlichungsdatum: 2022-11-09
| Aktualisiert: 2025-09-30
