Analog Devices Inc. ADL8111-EVALZ Evaluierungsboard
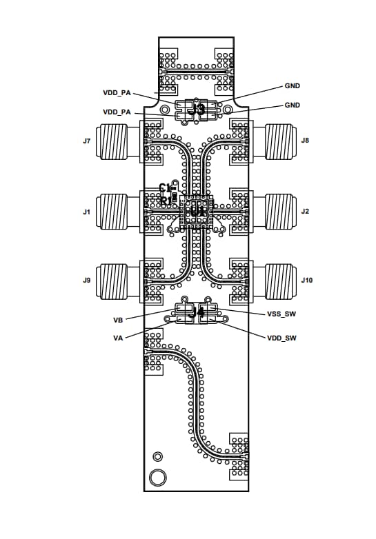
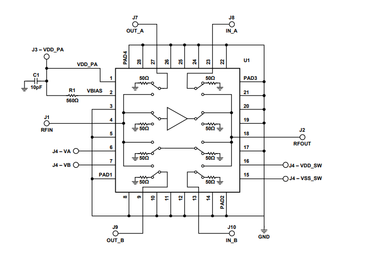
Das Analog Devices Inc. ADL8111-EVALZ Evaluierungsboard ist zur Evaluierung der ADL8111 Verstärker ausgelegt. Die ADL8111 10-MHz- bis 8-GHz-Bypass-Verstärker integrieren nicht-reflektierende SP4T-Schalter (Quad-Throw, SP4T), die mehrere Gain- und Linearitätswerte ermöglichen. Das ADL8111-EVALZ Evaluierungsboard ist mit Komponenten vollständig bestückt. Das Board verfügt über Signalleitungen mit einer Wellenimpedanz von 50 Ω. Für den Anschluss der oberen und unteren Erdungsflächen ist eine ausreichende Zahl von Löchern vorgesehen.Layout der Vorder- und Rückseite
PCB-Layout
Schaltplan
Veröffentlichungsdatum: 2019-07-10
| Aktualisiert: 2024-03-06
