Analog Devices Inc. ADL8103-EVALZ Evaluierungsboard
Das ADL8103-EVALZ Evaluierungsboard von Analog Devices Inc. ist eine benutzerfreundliche Plattform zur Evaluierung des rauscharmen Breitband-Verstärkers ADL8103, der von 6 GHz bis 12 GHz betrieben wird. Das ADL8103-EVALZ Board von Analog Devices ist für die Leistungsprüfung und Charakterisierung optimiert und verfügt über eine zweischichtige Leiterplatte mit 50Ω HF-Eingangs- und Ausgangsspuren, SMA-Steckverbindern für eine einfache Verbindung und ein robustes Layout, das einen minimalen Signalverlust sowie eine minimale Verzerrung gewährleistet. Das Board enthält eine Vorspannungsschaltung, die flexible Versorgungsspannungs-Konfigurationen ermöglicht, wodurch es sich für verschiedene HF-Applikationen eignet. Ein kompaktes Design und eine einfache Konfiguration machen das Evaluierungsboard ideal für Ingenieure und Designer, die den ADL8103 in Systeme integrieren oder seine Fähigkeiten in Laborumgebungen bewerten möchten.Merkmale
- Vierschichtiges Rogers 4350B und Isola 370HR Evaluierungsboard
- Endablauf, 2,92 mm HF-Buchsen
- Über den Kalibrierungspfad (unbestückt)
- 50 Ω HF-Eingangs- und Ausgangsspuren
- -55 °C bis +125 °C Betriebstemperaturbereich
Applikationen
- Test-Messgeräte
- Kommunikationstechnik im Militärbereich
- Radar
Erforderliche Ausrüstung
- HF-Signalgenerator
- HF-Spektrumanalysator
- 20 dB, 1 W HF-Dämpfer
- 20 dB HF-Koppler (optional)
- HF-Leistungsmesser und Leistungssensor (optional)
- HF-Netzwerkanalysator
- 5 V, 300 mA-Stromversorgung
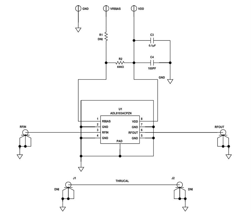
Schaltschema
Testkonfigurationsdiagramme
Ressourcen
Veröffentlichungsdatum: 2025-05-23
| Aktualisiert: 2025-05-28
