Analog Devices Inc. ADHV4710 Operationsverstärker
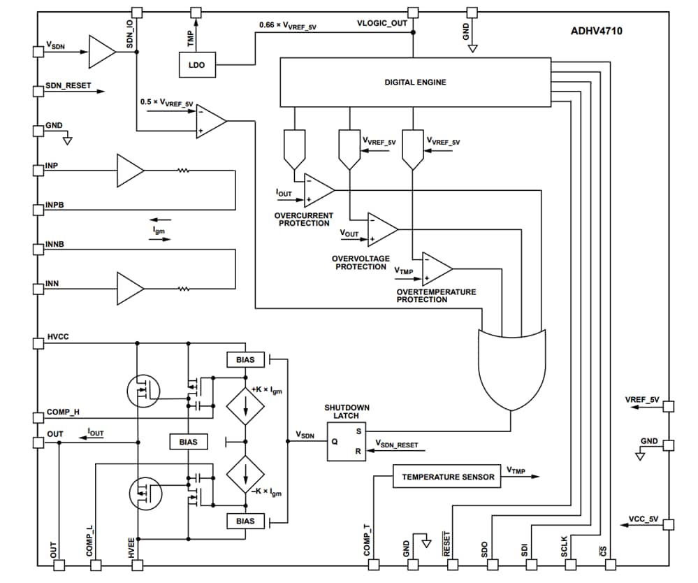
Analog Devices ADHV4710 Operationsverstärker sind für die Ansteuerung von bis zu ±1 A bei ±1.300 V/μs in kapazitive und ohmsche Lasten ausgelegt. Die Hochspannungs-, Hochleistungs- und Hochgeschwindigkeits-Operationsverstärker eignen sich hervorragend für Hochspannungsapplikationen, wie z. B. automatisierte Testausrüstungen (ATE), programmierbare Netzteile und Piezoantriebe.Der ADHV4710 von ADI bietet eine große Konfigurierbarkeit für Hochspannungs-Signalketten. Der Verstärker erreicht bei hoher Gain eine hohe Anstiegsrate und Bandbreite, kann aber für einen Hochspannungseingang und -ausgang mit niedriger Gain konfiguriert werden. Der externe Transkonduktanzwiderstand RSLEW sorgt für Stabilität bei beliebiger Gain und einstellbarer Anstiegsrate. Der externe Kompensationskondensator CCOMP ermöglicht, die stabile Ansteuerung unbegrenzter kapazitiver Lasten durch den Verstärkerausgang.
Merkmale
- Hohe Ausgangsleistung
- Ausgangsspannungsbereich bis zu ±52 V für IOUT = ±100 mA
- Dauerausgangsstromantrieb: ±1 A
- Hohe Anstiegsrate von ±1.300 V/μs in 1-nF-Last
- Fehlerschutz und Überwachung mit digital programmierbaren Strom-, Spannungs- und thermischen Abschaltgrenzen
- Design-freundlich
- 80-Pin-TQFP-Gehäuse von 12 mm x 12 mm
- EPAD-Up-Gehäuse für montierbaren Kühlkörper
- 80-Pin-TQFP-Gehäuse von 12 mm x 12 mm
- Großer Hochspannungsversorgungsbereich: ±12 V bis ±55 V
- 12 mA Niedriger Ruhestrom
- Umfassende Konfigurierbarkeit
- Unbegrenzte kapazitive Laststabilität mit externer Kompensation und Ausgangsanstiegsbegrenzung
- Stabil für jede Gain und einstellbare Anstiegsrate mit externer Transkonduktanz RSLEW
- Programmierbarer Versorgungsstrom mit Abschaltmodus
- -40 °C bis +85 °C Betriebstemperaturbereich
Applikationen
- Hochspannungs-Leistungsverstärker (PA)
- Hochspannungs-SMU/VI-Quelle
- Hochspannungs-Generator mit arbiträren Wellenformen (AWG)
- Piezoelektrischer Transducer-Antrieb
- Programmierbare Netzteile
Großsignal-Impulsreaktion
Vereinfachtes funktionales Blockdiagramm
FUNKTIONALES BLOCKDIAGRAMM
Veröffentlichungsdatum: 2025-05-02
| Aktualisiert: 2025-05-26
