Analog Devices Inc. AD8412ARM-EVALZ Evaluierungsboard
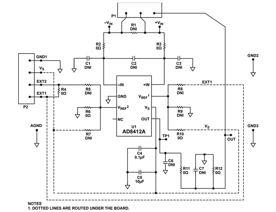
Das Analog Devices AD8412ARM-EVALZ Evaluation Board basiert auf dem AD8412A Verstärker und wurde für die einfache Konfiguration verschiedener Betriebsmodi und für die Flexibilität bei den Lasten entwickelt. Ein Shunt-Widerstand (R1), mit einer Standardgröße von maximal 2818, kann auf die Platine gelötet werden. Die AD8412A Strommessverstärker bieten eine anfängliche Verstärkung von 10V/V, mit einer Bandbreite von 1,8 MHz und einem maximalen ±Verstärkungsfehler von 0,11% über den gesamten Temperaturbereich.Das ADI AD8412ARM-EVALZ Board unterstützt die AD8412A in einem Small Outline Package (MSOP).
Merkmale
- Ermöglicht ein schnelles Breadboarding und Prototyping
- Einfach konfigurierbar für den unidirektionalen oder bidirektionalen Betrieb
- Enthält eine Einrichtung für den Strommessungs-Nebenwiderstand
- Einfache Verbindung zu Testausrüstungen
- Enthält Vorrichtungen für einen Eingangsfilter und einen Ausgangsfilter
- Entkoppelte Versorgungsleitung
Applikationen
- In-Phase oder High-Side Strommessung in:
- Motorsteuerung in BLDC-Motorenn-Motoren mit niedriger Induktivität
- Bidirektionale 48 V bis 12 V DC-DC-Wandler
- Magnetregler
- Stromschienen-Überwachung
- Low-Side-Strommessung
Layout
Verbindungen zu Klemmenblöcken
Schaltschema
Veröffentlichungsdatum: 2025-03-14
| Aktualisiert: 2025-03-18
