ams OSRAM OSTAR® Stage LE RTDUW S2WN kompakte Lichtquellen
Ams OSRAM OSTAR® Stage LE RTDUW S2WN Kompaktlichtquellen zeichnen sich durch die Korrosionsbeständigkeitsklasse 3B und eine typische Abstrahlung von 120° (Lambertscher Emitter) aus. Diese kompakten Lichtquellen bieten eine Dünnschicht-/UX: 3-Chip-Technologie. Die kompakten Lichtquellen LE RTDUW S2WN verfügen über eine Multi-Chip-SMT-Technologie mit einem Glasfenster auf dem Gehäuseoberteil. Diese kompakten Lichtquellen ermöglichen ein Höchstmaß an Flexibilität für effiziente Optik und physikalisches Design und helfen Designern, Größe und Platz zu sparen. Die kompakten Lichtquellen LE RTDUW S2WN sind ideal für Spotlight, Washlight und andere kreative Beleuchtungsarrangements. Diese kompakten Lichtquellen zeichnen sich durch ein flaches Profil, eine hohe Leuchtkraft und eine hohe Stromdichtefähigkeit aus. Die kompakten Lichtquellen LE RTDUW S2WN arbeiten bei einem Temperaturbereich von -40 °C bis 85 °C und einem Rückstrom von 200 mA. Diese kompakten Lichtquellen sind ideal für die Bereiche Unterhaltung, Architekturbeleuchtung, Nutzfahrzeuge, Geländewagen und tragbare Leuchten.Merkmale
- Dünnfilm-/UX:3-Chip-Technologie
- Kompakte Lichtquelle in Multi-Chip-SMT-Technologie mit einem Glasfenster auf der Gehäuseoberseite
- Typische Strahlung: 120° (Lambertscher Emitter)
- Korrosionsbeständigkeit der Klasse 3B
- Hohe Stromdichtefähigkeit
- Chip-Technologie mit hohem Antriebsstrom bietet eine hohe Lichtausbeute
- Neue Chip- und Gehäusetechnologie bietet eine hohe Zuverlässigkeit bei einem hohen Antriebsstrom
- Handelsübliche Optik für eine einfache Implementierung verfügbar
Technische Daten
- Betriebstemperaturbereich: -40 °C bis +85 °C
- Lagertemperaturbereich: -40 °C bis +85 °C
- Rückstrom: 200 mA
- ESD-Spannungsfestigkeit: 2 kV
Applikationen
- Bühnenbeleuchtung
- Gebäudebeleuchtung
- Nutzfahrzeuge
- Geländefahrzeug
- Tragbares Licht
- Medizinisches Licht
- Maschinelle Bildverarbeitung
- Unterhaltungssysteme
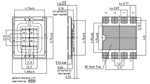
Maßbild
Veröffentlichungsdatum: 2022-11-16
| Aktualisiert: 2024-06-18
