ams OSRAM AS5715 Referenzboard
Das AS5715 Referenzboard von ams OSRAM ist zur schnellen Evaluierung des AS5715 induktiven Motorsteuerungs-Positionssensors ausgelegt. Das ams OSRAM AS5715 Referenzboard ist vollständig bestückt und enthält das Ziel, den Abstandshalter und den Steckverbinder (Steckleiste). Der Steckverbinder ist mit einer 6-Pin-Steckerleiste bestückt und für die Stromversorgung und den Ausgang sowie die I2C-Schnittstellen erforderlich.Lieferumfang Kit
- Referenzboard:
- Abstandshalter
- Ziel
- Steckverbinder
Lieferumfang des Kits
Board-Einrichtung
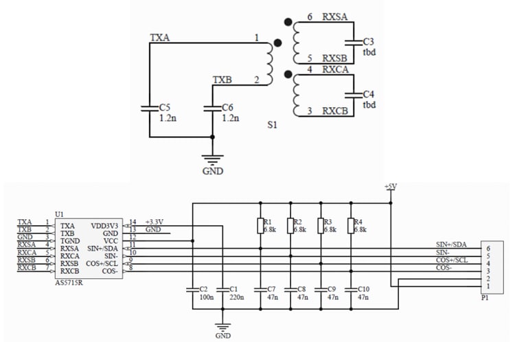
Schaltplan
Weitere Ressourcen
Veröffentlichungsdatum: 2020-02-18
| Aktualisiert: 2024-03-22
