Amphenol Aerospace Robuste Ethernet-Schalter
Amphenol Aerospace Robuste Ethernet-Schalter unterstützen das 10/100/1000BASE-T Kupfer-Ethernet und Glasfaser-Ethernet, einschließlich Einzelmodus-1GBASE-EX oder -1GBASE-LX und Multimodus-1GBASE-SX. Diese Schalter eignen sich hervorragend für das Routing mehrerer Gigabit-Ethernet-Verbindungen in Systeme. Die Ethernet-Schalter sind vollständig anpassbar mit Beschichtung, Kodierung, mechanischer Montage, Taktung, Fasermodi und Kombinationen von Kupfer- und Glasfaseranschlüssen. Diese Schalter werden in einem Temperaturbereich von -40°C bis +70°C betrieben und sind in Optionen mit 4, 6 und 8 Anschlüssen erhältlich.Merkmale
- IEEE oder bessere Spezifikationen unterstützen die folgenden Protokolle:
- 10/100/1000BASE-T
- 100BASE-FX
- 1GBASE-FX
- 1GBASE-EX und -ZX
- 1GBASE-LX und -LX10
- 1GBASE-SX und -SX4
- Vollständige Robustheit für MIL-STD-810 Stöße und Vibrationen
- Perfekt für das Routing mehrerer Gigabit-Ethernet-Verbindungen in Systeme
- Keine Notwendigkeit für interne Subsystem-Glasfaserkabelbäume, Verbindungen oder Transceiver
- Verwendet Kupfer-Transceiver und eine bestehende Verbindung (Backplane, Kabelbaum, Frontplatte) für die Systemfaserverbindung
- Medienkonvertierung am Steckverbinder reduziert die Systemkomplexität und die Kosten
- Alle Vorteile des MIL-DTL-38999 Rundsteckverbinders in einem Medienkonverter
- -40 °C bis +70 °C Betriebstemperaturbereich
Videos
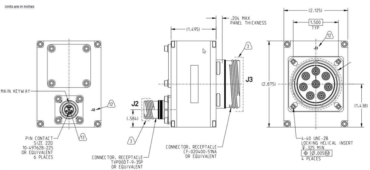
CF_020400_51X_A und CF_020400_57X_A Mechanische Diagramme
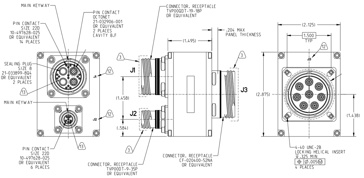
CF_020400_52X_A Mechanisches Diagramm
CF_020400_56X_A Mechanisches Diagramm
Veröffentlichungsdatum: 2023-09-11
| Aktualisiert: 2025-01-14
