Amphenol All Sensors AXCA Verstärkte Mitteldrucksensoren

Amphenol All Sensors AXCA Verstärkte Mitteldrucksensoren basieren auf der proprietären Gehäusetechnologie zur Reduzierung von Fehlern und Verbesserung der Leistungsfähigkeit. Das Sensorgehäuse ist speziell zur Reduzierung von Gehäuse-induzierter parasitärer Beanspruchung und Belastung ausgelegt. Diese Mitteldrucksensoren bieten einen ratiometrischen 4-V-Ausgang mit hervorragenden Ausgangseigenschaften. Die AXCA Sensoren nutzen eine mikromaschinell bearbeitete Silizium-Struktur mit verbesserter Formzahl, um einen zum gemessenen Druck linearen Ausgang zu liefern. Diese Mitteldrucksensoren werden mit der ASIC-Kompensationstechnik intern kompensiert. Die AXCA Sensoren eignen sich hervorragend für den Einsatz in medizinischen Messgeräten, in der Umweltmesstechnik und in HLK-Messgeräten.

Merkmale

  • Ratiometrischer 4-V-Ausgang
  • Temperaturkompensiert
  • Kalibrierter Nullpunkt und Messbereich
  • ASIC-Kompensationstechnik

Technische Daten

  • Druckbereiche von 0,3 bis 150 PSI
  • Versorgungsspannungsbereich: 4,5 Vdc bis 5,5 Vdc
  • Betriebstemperaturbereich: -25 °C bis +85 °C
  • Lagertemperaturbereich: -40 °C bis +125 °C

Applikationen

  • Medizinische Messgeräte
  • Umweltmesstechnik
  • HLK-Messgeräte

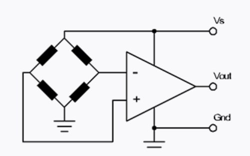
AXCA-Schaltung – Darstellung

Applikations-Schaltungsdiagramm - Amphenol All Sensors AXCA Verstärkte Mitteldrucksensoren

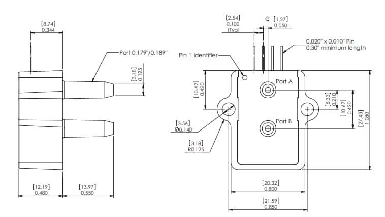
Abmessungen

Applikations-Schaltungsdiagramm - Amphenol All Sensors AXCA Verstärkte Mitteldrucksensoren
Veröffentlichungsdatum: 2019-07-23 | Aktualisiert: 2023-05-01