Amphenol Aerospace Oktaler 1000BASE-T-zu-SGMII-Konverter
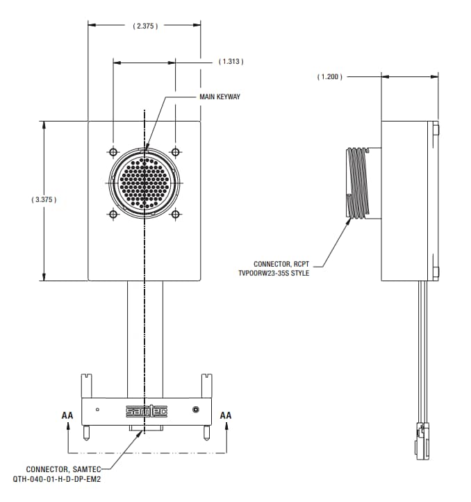
Die oktale 1000BASE-T-zu-SGMII-Konverter von Amphenol Aerospace sind ein robuster, flexibler Ausdruck der SerDes-Technologie und unterstützen acht Anschlüsse des IEEE 802.3ab-konformen Gigabit-Ethernets. Auf ihrer 1000 BASE-T-Kupfer-Schnittstelle bietet diese natürlich konvektionsgekühlte Lösung (100) Kontakte der Größe 22 in einer D38999-Gehäusegröße-23. Die Amphenol Aerospace Konvertermodule verfügen auf ihrer SGMII-Schnittstelle über einen Samtec Hochgeschwindigkeits-Kabelsatz der Q-Baureihe® . Diese oktalen Medienkonverter bieten einen Stromverbrauch von weniger als 5 V, wobei sie einen 5V-Stromanschluss in den Samtec-Steckverbinder benötigen.Merkmale
- Wandelt 1000BASE-T-zu-SGMII um
- IEEE 802.3ab-konform
- 1000BASE-T-Kupferschnittstelle
- D38999-Gehäusegröße-23
- (100) Kontakte der Größe 22
- SGMII-Schnittstelle
- Samtec Q-Baureihe® Hochgeschwindigkeits-Kabelsatz
- 5V-Stromanschluss in Samtec-Steckverbinder
- Natürliche Konvektionskühlung (kein Fan oder Kälteplatte erforderlich)
- Betriebstemperatur von -40 °C bis 85 °C (-50 °C/125 °C Speicher)
- EMI/EMV-kompatibel
Maßzeichnung
Gigabit-Ethernet mit 8 Anschlüssen
Veröffentlichungsdatum: 2018-08-30
| Aktualisiert: 2022-08-08
