Allegro MicroSystems A17700 Pressure Sensor Interface ICs

Allegro MicroSystems A17700 Pressure Sensor Interface ICs are designed to interface a piezoresistive bridge for pressure sensing. The A17700 features high accuracy output in Analog, PWM, and SENT format with diagnostic. The device's accuracy is achieved by gain/offset input signal trim and 4th order polynomial input signal compensation at applied pressure and temperature. The 4th order polynomial compensation algorithm allows users to optimize accuracy versus test cost (chose # of test points) and is flexible enough for multiple applications.

The Allegro MicroSystems A17700 Pressure Sensor Interface ICs diagnostic functions comply with required automotive safety-critical application specifications. The A17700 is configurable with a Manchester programming interface. The Sensor Interface ICs include on-chip EEPROM technology capable of supporting up to 100read/write cycles for programming of calibration parameters.

The A17700 is housed in a 24-pin 4mm × 4mm QFN package with a wettable flank and exposed thermal pad. The 17700 is ideal for medium and high-pressure automotive applications such as oil injection in the engine and automatic transmission, EGR, fuel pressure, air pressure, coolant pressure.

Features

  • Interface pressure sensor qualified with AEC-Q100 grade 0
  • Analog, PWM, and SENT output
  • On-chip Poly(4,4) compensation for improved accuracy over temperature, compensating both IC and bridge
  • Manchester interface for programming through single OUT pin
  • Suite of diagnostics to allow for safety-critical systems fault detection
  • QFN package with wettable flanks enabling visual inspection of solder joints

Applications

  • Medium and high-pressure automotive applications
  • Oil injection in the engine and automatic transmission
  • EGR
  • Fuel pressure
  • Air pressure
  • Coolant pressure

Functional Block Diagram

Block Diagram - Allegro MicroSystems A17700 Pressure Sensor Interface ICs

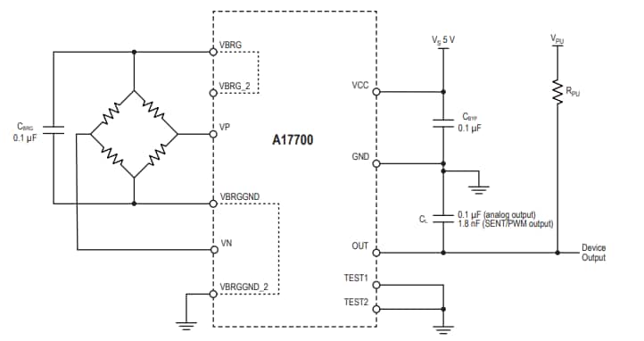
Typical Application Circuit

Application Circuit Diagram - Allegro MicroSystems A17700 Pressure Sensor Interface ICs
Veröffentlichungsdatum: 2022-02-25 | Aktualisiert: 2023-12-13