Advantech Drahtlose Wzzard™-Mesh-Sensoren
Advantech Drahtlose Wzzard™-Mesh-Sensoren sind ein Industrie-Leistungsüberwachungs-Knoten, der über die extrem stromsparende 802.15.4e SmartMesh® IP-Technologie verfügt. Diese Sensoren können sich über drahtgebundene Verbindungen oder Mobilfunkdaten-Netzwerke mit dem Internet verbinden und mithilfe des MQTT-IoT-Protokolls und den JSON-Datenformaten kommunizieren. Die Mesh-Sensoren bieten eine große Auswahl von Sensor-Schnittstellenoptionen, einschließlich Universal-Analogeingang, Digital-Ein-/Ausgang und Thermoelement. Diese drahtlosen Sensoren bestehen aus einem robusten und faserverstärkten Polyester-PBT-Gehäuse mit IP67-Schutzart. Die Mesh-Sensoren werden über einen Temperaturbereich von -40 °C bis +80 °C betrieben. Dieser drahtlose Sensorknoten umfasst 2 AI, 1 DO, interne Temperatur- und 2-Sekunden-Abschaltung für das Senden von Vibrationen und Temperatur zu einem IoT-Netzwerk.Merkmale
- Extrem stromsparende 802.15.4e SmartMesh® IP-Technologie
- Kommuniziert mit dem SmartSwarm-342 Gateway über hoch skalierbare und zuverlässige drahtlose Mesh-Netzwerke
- Verbindet sich mit analogen oder digitalen Industriestandard-Sensoren
- Robustes und faserverstärktes Polyester-PBT-Gehäuse mit IP67-Schutzart
- MQTT- und JSON-IoT-Protokoll zur Applikationsplattform
- Sensorschnittstellenkabel und Antenne enthalten
- Drahtlose Sicherheit:
- Geräteauthentifizierung
- AES-basierte 28-Bit-Verschlüsselung mit mehreren Schlüsseln
- Überprüfung der Nachrichtenintegrität (MIC)
- Synchronisierte Schlüssel-Umschalter
- Benutzerdefinierte Schlüsseldrehung
Technische Daten
- Betriebstemperaturbereich: -40 °C bis +80 °C
- Lagertemperaturbereich: -40 °C bis +85 °C
- Betriebsfeuchtigkeit: 0 bis 95 %, nicht kondensierend
- Pull-Up-Strom: 65 µA
- Eingangslast-Widerstand: 59 kΩ
- Digitaler Eingangsspannungsbereich: 0 VDC bis 48 VDC
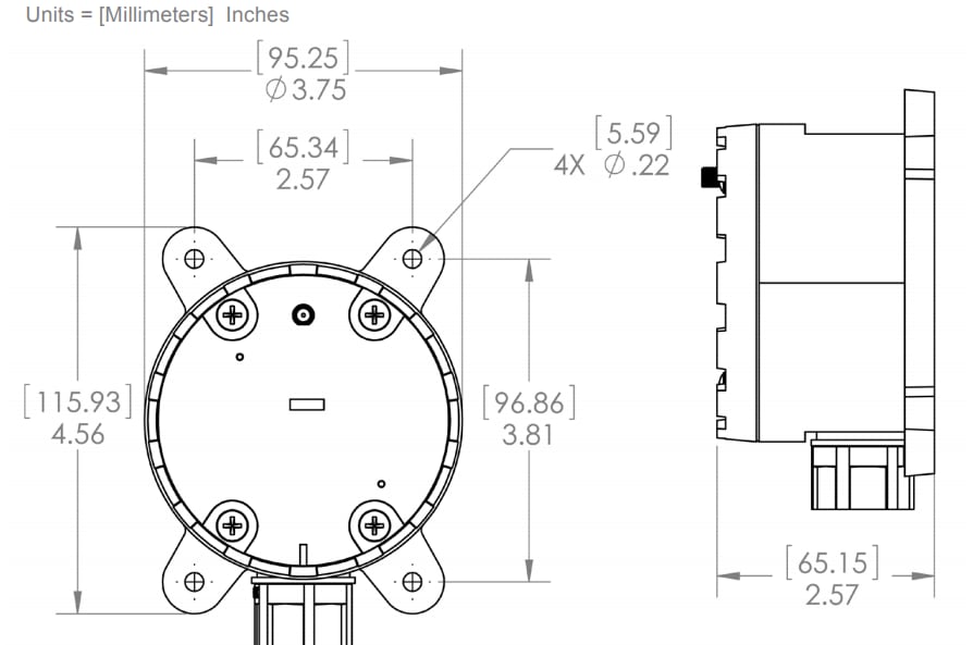
BB-WSD2M3101P2K Technische Zeichnung
Advantech IoT Academy
Fulfill Your One-Stop Learning for IoT Knowledge
Veröffentlichungsdatum: 2019-11-29
| Aktualisiert: 2023-04-10
