ABLIC S-19560B Power Management IC (PMIC)

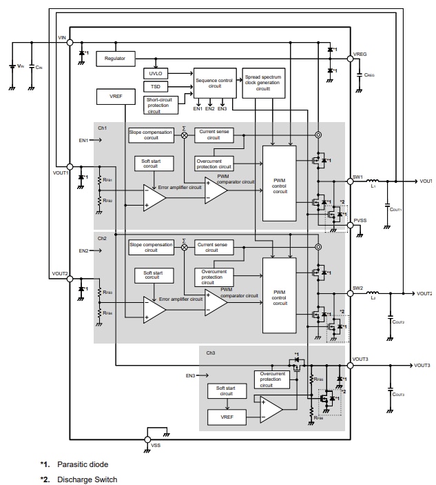
ABLIC S-19560B Power Management IC (PMIC) is designed for automotive devices and is composed of a 2-channel step-down switching regulator and a 1-channel voltage regulator. The step-down switching regulator operates via PWM control, thereby achieving both high efficiency and low ripple voltage. This automotive-grade PMIC has a maximum operating voltage of 16V and maintains an accuracy of ±2% for each output voltage. Each output has a built-in overcurrent protection circuit to protect the IC and coil from excessive load current and a built-in thermal shutdown circuit to prevent damage from heat generation. The S-19560B PMIC features a built-in spread spectrum clock generation circuit capable of reducing conductive noise and emission noise. This PMIC features a 2.2MHz typical oscillation frequency, 3.35V typical Under Voltage Lockout (UVLO) function, and comes in a 3mm x 2mm x 10.5mm HSNT-8(2030) package. Typical applications include automotive camera modules, engines, transmissions, suspensions, ABS, and related devices for EV/HEV/PHEV.

Features

  • 4V to 16V input voltage range
  • ±2% (Tj = -40°C to 150°C) output voltage accuracy
  • Step-down DC-DC converter block (Ch1, Ch2):
    • Output voltage:
      • 3.3V to 5V (Ch1)
      • 0.9V to 3V (Ch2)
    • Output current:
      • 600mA (Ch1)
      • 700mA (Ch2)
    • 2.2MHz typical oscillation frequency
    • +6% typical FSSS (diffusion rate) spread spectrum clock generation function
    • 1.2A typical (pulse-by-pulse method) overcurrent protection function
    • Hiccup control short-circuit protection function
    • Shifts the oscillation phase of Ch1 and Ch2 by 180° with the phase shift function
  • -40°C to 125°C operating temperature range
  • 3.35V typical (detection voltage) Under Voltage Lockout (UVLO) function
  • 170°C typical thermal shutdown function
  • Lead-free (Sn 100%) and halogen-free
  • AEC-Q100 in process
  • LDO regulator block (Ch3):
    • 0.9V to 3.3V output voltage
    • 300mA output current
    • 50dB typical ripple rejection

Applications

  • Camera module for automotive
  • For automotive use (engine, transmission, suspension, ABS, related devices for EV / HEV / PHEV)

Block Diagram

Block Diagram - ABLIC S-19560B Power Management IC (PMIC)

Application Circuit Diagram

Application Circuit Diagram - ABLIC S-19560B Power Management IC (PMIC)

Videos

Veröffentlichungsdatum: 2025-12-26 | Aktualisiert: 2026-01-13